您當前的位置:首頁 > 產品中心 > WP蝸輪蝸桿減速機
上一篇:WPX蝸輪減速機,WPX蝸桿減速機,臥式WPX蝸輪蝸桿減速機
下一篇:WPDX蝸輪減速機,WPDX蝸桿減速機,WPDX渦輪減速器,WPDX渦桿減速器
詳細介紹:
WPO減速機,鑄鐵減速機,WP蝸輪蝸桿減速機是東莞市臺機減速機有限公司(臺灣天機牌)生產廠家制造銷售的一款工業減速機,在用于傳遞動力與運動的機構中,減速機的應用范圍相當廣泛。
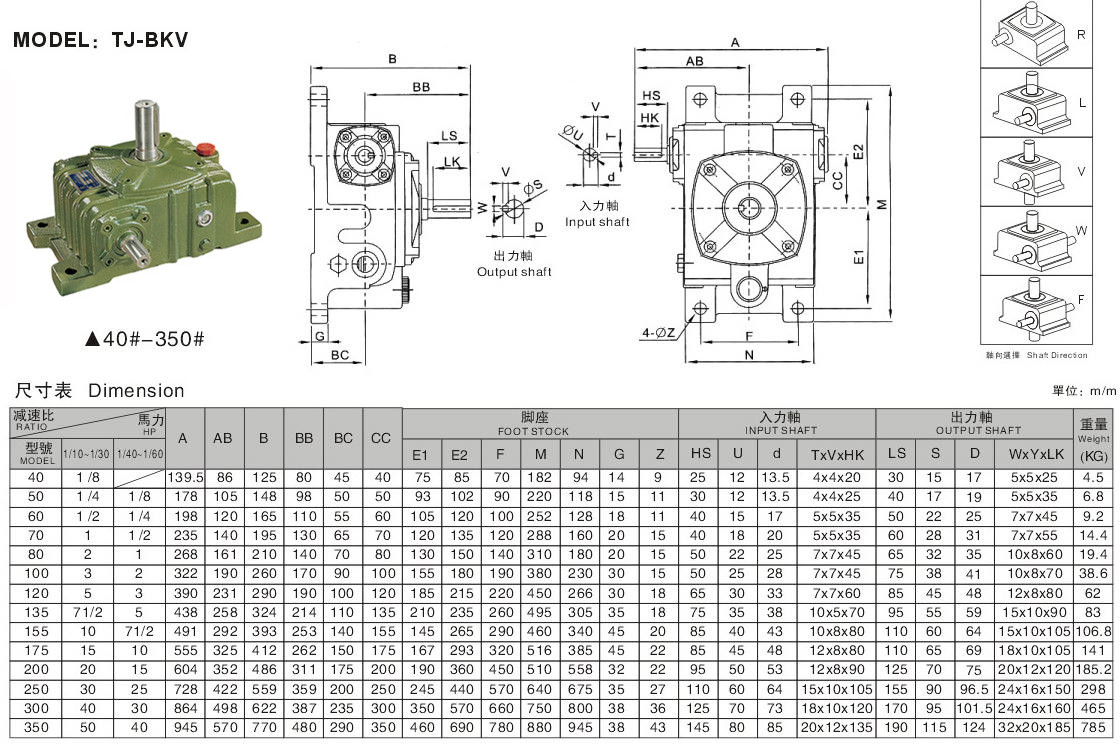
WPO減速機,鑄鐵減速機,WP蝸輪蝸桿減速機內部結構及安裝參數:基本結構主要由傳動零件蝸輪蝸桿、軸、軸承、箱體及其附件所構成。可分為有三大基本結構部:箱體、蝸輪蝸桿、軸承與軸組合。箱體是蝸輪蝸桿減速機中所有配件的基座,是支承固定軸系部件、保證傳動配件正確相對位置并支撐作用在減速機上荷載的重要配件。蝸輪蝸桿主要作用傳遞兩交錯軸之間的運動和動力,軸承與軸主要作用是動力傳遞、運轉并提高效率。

WPO減速機,鑄鐵減速機,WP蝸輪蝸桿減速機部分附件解說如下:
1.油蓋/通氣器,主要用于排出渦輪蝸桿減速機機箱內的氣體;
2.端蓋,分為大端蓋和小端蓋,端蓋為固定軸系部件的軸向位置并承受軸向載荷,軸承座孔兩端用軸承蓋封閉;
3.油封;主要使用防止機箱內部的潤滑油外泄,提高潤滑油的使用時間;
4.放油螺塞,主要用于更換潤滑油時排放污油和清洗濟;
5.油標蓋/油標,主要用于觀察渦輪蝸桿減速機機箱內部的油量是否達標;
以下是WPO減速機,鑄鐵減速機,WP蝸輪蝸桿減速機型號選型表



















